|
|
||||||||
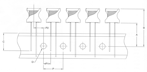
Tape and Reel Specifications for R Series of Radial Leaded Power Inductor
Dimensions in mm ( 1 inch = 25.4mm)
Special lower pricing if purchased in tape and reel quantities
|
|
|
||||||||
Tape and Reel Specifications for R Series of Radial Leaded Power Inductor
Dimensions in mm ( 1 inch = 25.4mm)
Special lower pricing if purchased in tape and reel quantities
|