453226 Series SMI - Tape and Reel Specifications


453226 Series SMI - CHOKE COILS POWER CHIP: TAPE AND REEL SPECIFICATIONS

  

 

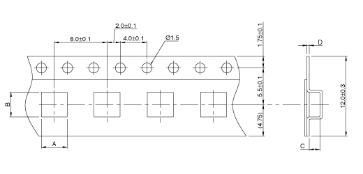
DIMENSIONS

 

 

 

Q'TY & G.W. PER PACKAGE

 
 


Need Power Magnetics? Then look no more! CWS ByteMark delivers the finest in surface mount and standard inductors like Power Transformers, Common Mode Chokes, Ceramic Chip Inductors and Wire Wound Chip Inductors. CWS ByteMark can supply all of your filtering needs as well, including EMI Filters, RFI Filters, LC Filter Inductors, and Common Mode Filters. From Transmission Line Transformers to power transformers, CWS ByteMark is the source to call!
 
We have direct crosses to all major manufacturers including Toko, CoilCraft, Coiltronics, Tokin, J.W. Miller, Arnold, Siemens, TDK, Gowanda, Taiyo Yuden and more! Call for details!